光電開關OS-1009屬于致動器型,由Tr(光敏晶體管)輸出,致動方式為彈簧加載,主要用于打印機、游樂設備、醫(yī)療設備、金融終端等設備。
| 致動類型 | 彈簧加載 |
|---|---|
| 操作力量 | 最大1g |
| 輸出類型 | Tr(光敏晶體管) |
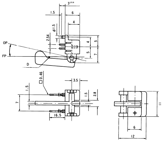
| 尺寸 (L x W x H) | 11 X 14 X 19.5mm |
| VCC | 5V | 12V | 24V |
|---|---|---|---|
| RF | 200~470W 1/4W | 680~1.2KW 1/4W | 1.2K~2.4KW 1/2W |
| RL | 20K~47KW | 20K~47KW | 20K~47KW |
| FP | 0° |
|---|---|
| PT | 10° ± 5° |
| TTP | 1g Max |
![]() |
|
接線角在頂側(cè) 安裝板厚度為1.0mm 單位尺寸為1mm |
原理電路 |
典型電路 |
![]() |
![]() |
PCB 固定口 |
![]() |
|
t=1 +/- 0.05 mm 單位尺寸為mm (1mm = 0.0394 inches) |
| 項目 | 符號 | 值 | |
|---|---|---|---|
| 輸入 | 正向電流 | IF | 50mA |
| 反向電流 | VR | 5V | |
| 輸出 | C-E 電壓 | VCEO | 30V |
| E-C 電壓 | VECO | 5V | |
| 集電極電流 | IC | 40mA | |
| 集電極功率消耗 | PC | 100mW | |
| 項目 | 符號 | 條件 | 最小 | 典型 | 最大 | 單位 | |
|---|---|---|---|---|---|---|---|
| 輸入 | 正向電壓 | VF | IF=10mA | - | 1.1 | 1.4 | V |
| 反向電流 | IR | VR=5V | - | - | 20 | µA | |
| 輸出 | 無光電流 | ID | VCE=24V IF=0 | - | - | 100 | nA |
| 集電極電流*1 | IC | IF=20mA VCE=5V | 1.0 | 2.0 | - | mA | |
| 集電極泄漏電流*2 | ICP | IF=20mA VCE=5V | - | - | 50 | µA | |
| 飽和電壓 | VCE (Sat) | IF=20mA IC=1mA | - | - | 0.3 | V | |
|
*1 致動器工作 *2 致動器釋放 |
|||||||
| 項目 | 范圍 |
|---|---|
| 操作力量 | 1g Max |
| 對震動的抵抗力 | 10~55Hz, 1.5mm |
| 對沖擊的抵抗力 | 30G |
| 機械壽命 | 106 |
| 工作溫度 | -20° ~ +75°C |
| 貯存溫度 | -25° ~ +90°C |